进口电动法兰蝶阀概述:
德国多尔德DOLDR进口电动法兰蝶阀是一种精密控制阀门,具有独特的特点和优点。它的结构由阀体、蝶板、阀座、阀杆、蜗轮、蜗杆等部件组成,设计合理、紧凑,能够实现精确的开度控制和流量调节。该阀门的最大特点之一是其法兰连接方式,使其适用于各种管道和设备,具有广泛的适用性。同时,其电动执行器采用先进的技术制造,可以使用交流电或直流电驱动,操作简便、易于维护。

蝶板与阀座之间的密封采用软密封或金属密封,密封性能可靠,能够有效地防止介质泄漏。法兰式电动蝶阀还具有自动化控制的优势。它可以与各种控制系统连接,实现智能化控制。例如,它可以与PLC控制系统结合,实现远程控制和自动化调节,提高自动化程度和生产效率。在自动化控制系统出现故障时,该阀门还可以手动操作,保证生产过程的连续性和稳定性。
此外,法兰式电动蝶阀的制造和维修也比较方便。它的结构简单,零部件数量少,维修和更换也比较容易。同时,该阀门还具有体积小、重量轻、操作方便等优点,使其在各种工业领域得到广泛的应用。
电动法兰球阀的参数包括:
阀体规格:尺寸范围为1/2”〜12”(DN15〜DN300),端部连接为 法兰RF、RJ、FF、FM。
工作压力:ANSI 150LB、300LB。
温度范围:—20 to +280℃。
阀芯形式:O型球形阀芯。
阀体形式:两段式铸造球阀。
流量特性:近似快开型。
动作范围:0~90°。
死区:≤1%。
阀体材质:WCB、CF8、CF8M、CF3M、2205。
阀座材质:PTFE、RPTFE、PEEK、POM,多层次321不锈钢、石墨。
进口电动法兰蝶阀是一种设计合理的阀门,具有多种优点和应用。
优点:
体积轻巧,能够较快的启闭,且操作时需要的力矩较小,方便省力。
安装灵活,可以在管道的不同位置安装,且维修方便。
密封材料耐老化和腐蚀,且可以更换,密封性能较好。
电动执行器具备多种功能,包括智能型、开关型以及信号输出功能。
电动执行器的稳定性好,推力恒定,能够抵抗偏离。
采用整体喷漆或烤漆处理,防止锈蚀,提高阀门的耐用性。
具有较大的流通能力,流阻系数小,结构相对简单,维修方便。
应用:
广泛应用于石油、化工、冶金、电力等工业领域,可以用于调节和截断各种介质的流量,适用于高温、高压、腐蚀性介质等特殊工况。
在水处理领域中也有重要作用,可以控制水的流量,广泛应用于城市供水、排水、污水处理等领域。
在空调与暖通领域中,进口电动法兰蝶阀被广泛应用于空调与暖通系统中,用于控制冷却水、暖气水等介质的流量,实现温度调节和能耗控制,提高室内环境的舒适度。
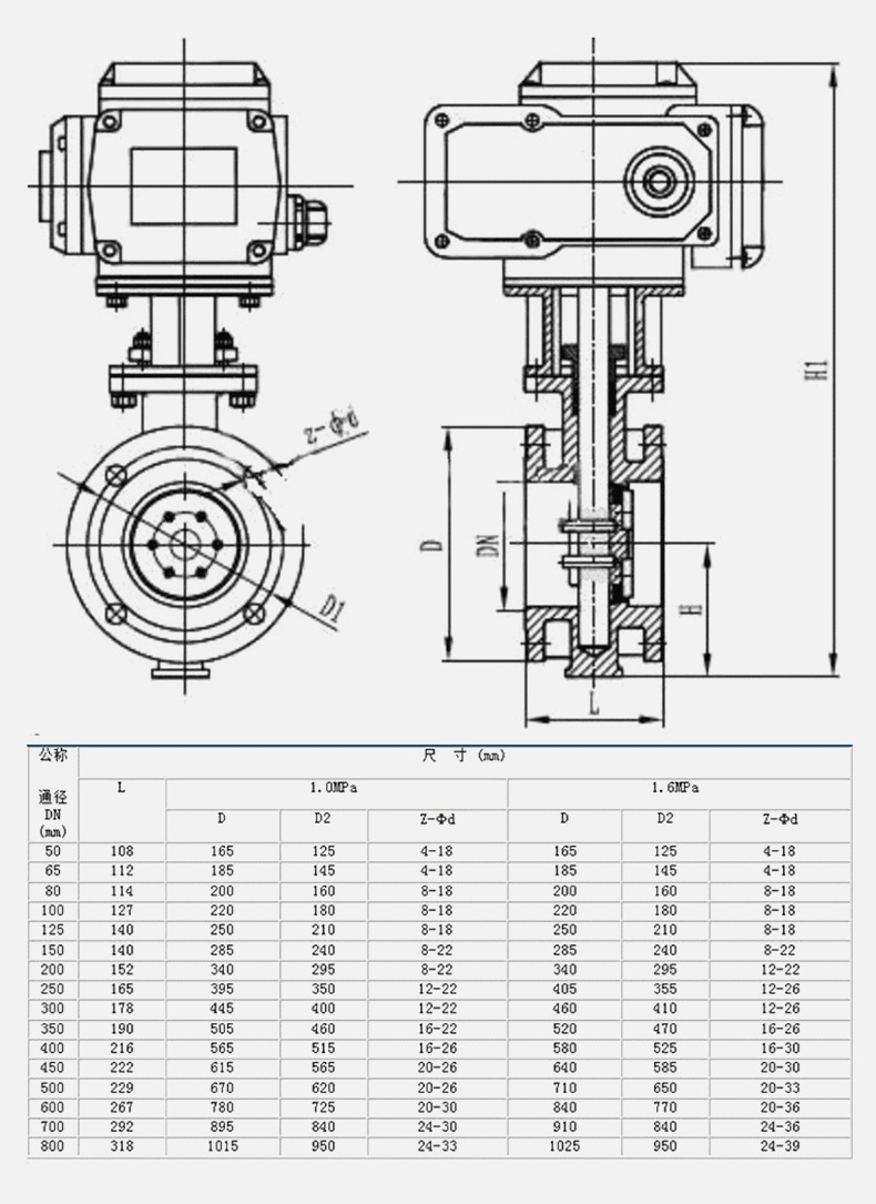
进口电动法兰蝶阀连接尺寸图:


全国服务热线



