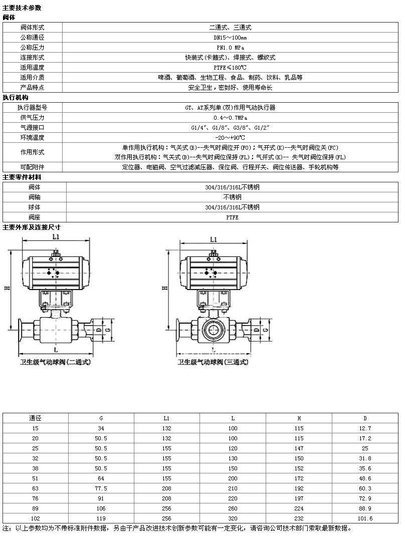
进口气动卫生级球阀概述:
德国多尔德DOLDR进口气动卫生级球阀是一种专为卫生级应用而设计的阀门,又称无菌级阀门、食品级阀门。它由气动执行器和球体组成采用304SS、304L、316、316L等不锈钢材质。这种阀门通常被用于食品、饮料、制药等卫生要求严格的行业。

进口气动卫生级球阀的结构具有以下特点:
球体是阀门的核心部件,通常由不锈钢材料制成。球体内部有孔道,通过旋转来控制介质的流动。球体采用球形设计,具有卫生级表面处理,能够确保介质的流动无死角。
快速连接结构使得阀门的安装和拆卸更为方便。这种结构通常使用卫生级夹紧或快速装配连接器。
阀门两端通常采用法兰连接,这种连接方式稳固可靠,能够在高压和高温环境下保持阀门的密封性能。
气动执行机构控制阀门的开关,通常由气动活塞、阀门体和配套的控制系统组成。通过调节气压的大小,可以控制球体的旋转速度和位置,实现对介质流动的精确控制。
为了减少介质流动时球体的冲击力,通常配备抗冲击装置,这种装置通常由弹簧或液体垫片构成,具有缓冲作用。
阀门具有优异的密封性能,能够有效控制介质的泄漏。
进口气动卫生级球阀结构图:

进口气动卫生级球阀和普通球阀在以下几个方面存在差异:
材质和洁净度:进口气动卫生级球阀通常采用304SS、304L、316、316L等不锈钢材质,而普通球阀的材质则包括铸铁、铸钢、球墨铸铁以及不锈钢等。此外,气动卫生级球阀通常具有更高的洁净度要求,以满足制药、食品和化工等行业的卫生级别要求。
结构和设计:进口气动卫生级球阀在结构和设计上通常更加注重卫生性能,例如采用特殊的密封结构、内部和球体全部抛光等,以确保流体介质的清洁和卫生。而普通球阀的结构和设计可能更注重功能性。
使用场合:进口气动卫生级球阀通常应用于那些对于卫生级别要求非常高的行业,如制药、食品和化工等。在这些行业中,由于产品与人体直接接触,对生产机械的卫生条件要求较高,因此需要使用具有更高卫生性能的阀门。而普通球阀则适用于各种场合,但需要注意材质的选择和使用环境的限制,例如铜阀门不适合作为卫生级阀门,因为它容易生锈并产生有毒物质。
综上所述,进口气动卫生级球阀和普通球阀在材质、洁净度、结构和设计以及使用场合等方面存在差异。在选择和使用时,需要根据具体的应用场景和使用要求进行选择,以确保其能够满足生产过程中的卫生等级要求。

全国服务热线



