进口蒸汽波纹管截止阀概述:
德国多尔德DOLDR进口蒸汽波纹管截止阀是一种专门用于蒸汽管道系统的阀门。它结合了截止阀和波纹管密封的特性,具有出色的密封性能和高温性能。
波纹管截止阀的工作原理是通过波纹管的变形来实现开关控制的阀门。当操作手柄旋转时,齿轮驱动螺杆上下移动,在波纹管两侧形成挤压和拉伸的力,从而使波纹管发生变形。当波纹管变形到一定程度时,就会阻塞介质的流动,实现截止功能。反之,当操作手柄逆时针旋转时,波纹管恢复原状,介质得以自由流动。由于波纹管具有良好的弹性和耐腐蚀性能,所以波纹管截止阀在一些特殊的工况中应用得比较广泛。

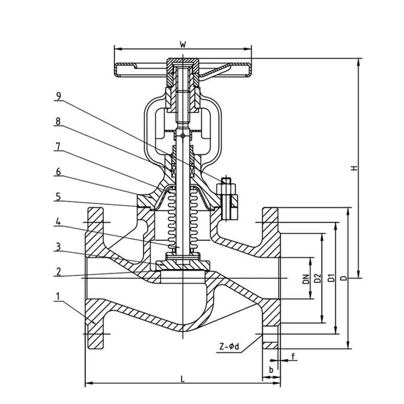
进口蒸汽波纹管截止阀结构图:


这种阀门的主要优点包括:
密封性能好:进口蒸汽波纹管截止阀采用波纹管作为阀杆密封元件,可以有效地防止蒸汽外漏,提高密封性能。
高温性能强:进口蒸汽波纹管截止阀适用于高温蒸汽系统,可以承受较高的温度和压力。
节能环保:由于进口蒸汽波纹管截止阀具有较好的密封性能,可以有效地减少蒸汽的泄漏,降低能源浪费和环境污染。
操作灵活:进口蒸汽波纹管截止阀采用手动或电动操作方式,可以方便地进行开启和关闭。
维护简单:进口蒸汽波纹管截止阀的结构简单,维护保养相对方便,使用寿命较长。
总的来说,进口蒸汽波纹管截止阀是一种高效、可靠的阀门,适用于各种蒸汽管道系统。如果您有任何关于进口蒸汽波纹管截止阀的问题或需要进一步的咨询,请随时联系我们的客服人员。

全国服务热线



