DOLDR进口水用支管减压阀主要用于各种建筑给水系统、消防系统、中央空调系统、采暖系统等。它用于支管减压,可供水压力分配更加均衡,避免部分供水点超压,优化高层建筑给水分区。它可代替分区调频变速水泵,在消防给水系统中可代替分区水泵,用于家用给水系统,可保护所有的水龙头和其它水器具。该款减压阀的阀体均为青铜、黄铜或者不锈钢材质。因其独特的设计,他们能免受污垢影响,不需要维护。适用于 80摄氏度以下的冷水或热水,昀大上游压力为 25公斤,减压阀门为 0.5公斤到 12公斤。可在任何位置安装,但需保证水流方向与阀门上的箭头指示方向一致。可被安装于压缩空气,惰性气体和燃油环境 。

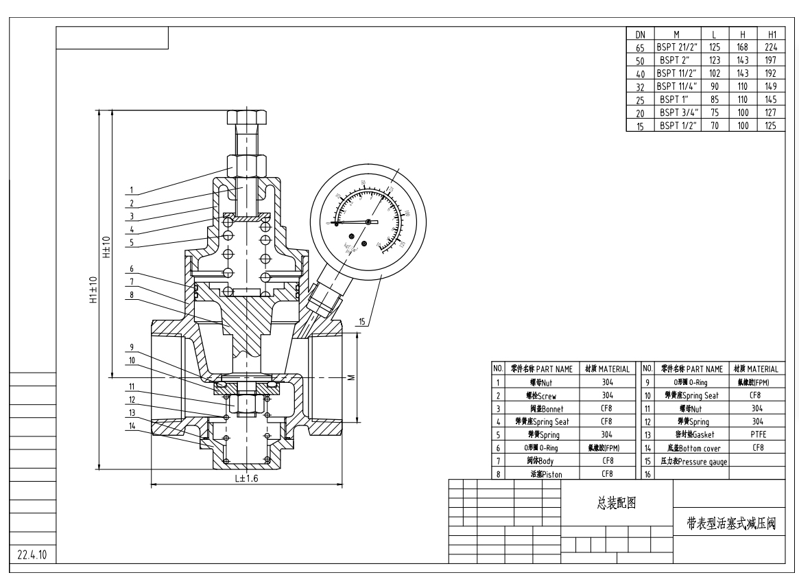
DOLDR水用支管减压阀结构图

可能故障原因:
霜冻损坏,在寒冷地区注意保湿。
水流方向装错,减压阀变成止回阀,出口压力为0。
弹簧拧的太紧,无法关闭,减压阀直通P2=P1。
旁通管漏水,使 P2偏离设定值,鉴于本减压阀优越的可靠性和耐久性,建议不安装旁通管为宜。
下游用水(开启)时: 出口压力下降,弹簧推开隔膜和阀瓣开启减压阀。
下游用水(关闭)时: 出口压力上升,当它升到设定值时隔膜和阀瓣又压缩弹簧,因此关闭减压阀
DOLDR进口水用支管减压阀安装方式:

在家用给水系统,减压阀通常安装在水表后面,以便保护其后所有用水器具。如果有冰冻危险,则因注意采暖或放水排空。减压阀可以在360°方向任意安装,但铸刻在阀体上的箭头必须与实际水流方向一致。
DOLDR进口水用支管减压阀工作原理:
出口压力作用在隔膜地面的阀瓣底面,当它超过弹簧设定值时,压缩弹簧,使阀瓣关闭。只要下游无水流动,出口压力将基本保持在设定值(其变化量仅为入口压力变化量的8%);当下游用水时,出口压力下降,弹簧推出隔膜,打开减压阀。水流连续流通一阵候,减压阀的开启产生自阻尼效应,使启闭动作趋于平衡。
出口的压力作用在膜片的底部,当它大于弹簧预设的压力时膜片向上移动阀瓣关闭,关断主阀,保证下游压力不会升高;当出口压力下降,出口的压力小于弹簧预设的压力时膜片向下移动阀瓣开启,打开主阀向下游供水
下游有水流动(阀门开启) : 下游压力降低 , 弹簧压下膜片和阀瓣打开阀门
下游无水流动(阀门关闭) : 下游压力升高 , 当它大于弹簧设定值时 , 阀门关闭
DOLDR进口水用支管减压阀运输与贮存:
1.该系列的产品包装为板质箱子封闭包装,运输过程中不允许倒置、滚翻.包装箱不应被损坏。
1. 运输及开箱吊装等全过程应保证产品完好。
2. 产品应贮存在室内,摆放整齐,不应放在露天浸、淋、晒。

全国服务热线



