进口内外螺纹针型阀概述:
德国多尔德DOLDR进口内外螺纹针型阀又名内外螺纹截止阀、内外螺纹仪表阀,是一种可以精确调整的阀门,通常用于仪表测量管路系统中作开启或切断管路作用。这种阀门具有连接紧固、安装拆卸方便、密封性能好、适用范围广等特点,一般适用于较小流量、较高温高压的气体或液体的介质,可与压力表配合使用以达到更好的效果。

进口内外螺纹针型阀的结构设计合理,采用金属密封材料,具有较高的硬度和耐腐蚀性,能够适应较低的温度和腐蚀性介质环境。同时,进口内外螺纹针型阀的密封面采用锥形结构,能够形成较紧密的密封面,进一步增强密封性能。
此外,进口内外螺纹针型阀还可以根据不同的工况和需求进行定制,可以满足各种特殊场合的使用要求。例如,一些特殊材质的进口内外螺纹针型阀可以用于高温、高压、腐蚀性更强的介质等。
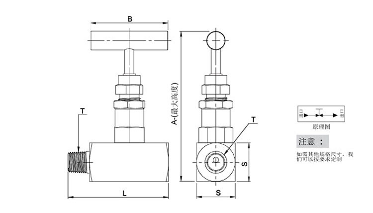
进口内外螺纹针型阀结构图:

进口内外螺纹针型阀的应用场景包括但不限于以下几种情况:
输送水蒸汽和带有悬浮颗粒或纤维性杂质的介质。
控制空气、氧气、氢气和其他无腐蚀性气体以及温度不高于200°C的水蒸汽。
在易燃易爆场合下使用,应采用安全栅保护装置。
当管道需要经常拆卸检修时,应采用法兰连接的内螺纹针型阀。
当介质为强酸或强碱时,不宜选用铜合金内螺纹针型阀(如cst-1)。

全国服务热线



