进口不锈钢自力式调节阀概述:
德国多尔德DOLDR进口不锈钢自力式调节阀是一种自动调节阀,由阀体、执行器和一个设定压力的弹簧组成。该调节阀采用内部取压结构,依靠介质自身的压力变化来达到自动调节和稳定压力的目的。
进口不锈钢自力式调节阀是一种新型的调节阀,具有独特的特点和优点。

进口不锈钢自力式调节阀参数:
公称通径:NPS 1/2”~16”(DN15~DN400)
公称压力:Class150~Class300(PN16~PN40)
温度范围:-5℃~230℃
材料范围:碳钢、不锈钢、双相不锈钢,Inconel,Monel,Hastelloy,Ti等
泄漏等级:ANSI IV级、Ⅴ级或Ⅵ级
控制压力范围:0.005~1.6Mpa(
工作原理:进口自力式调节阀又称自力式控制阀,它依靠流经阀门内介质自身的压力、温度作为能源驱动阀门自动工作,不需要外接电源和二次仪表。在阀体输出端,反馈信号(压力、压差、温度)通过信号管传递到执行机构驱动阀瓣改变阀门的开度,达到调节压力、流量、温度的目的。
产品特点:进口不锈钢自力式调节阀具有高精度、高灵敏度、控制精确、密封性好、节能环保等优点。同时,它无需外加能源,能在无电无气的场所工作,既方便又节约了能源。此外,其压力设定值在运行期间可连续设定,且压力分段范围细且互相交叉,调节精度高。
主要用途:进口不锈钢自力式调节阀广泛应用于各种酸碱、腐蚀性介质或食品饮料场合中,对调节介质的压力、温度、流量进行精确控制。例如,自力式不锈钢压力调节阀、自力式不锈钢温度调节阀、自力式不锈钢流量调节阀和自力式差压调节阀等。
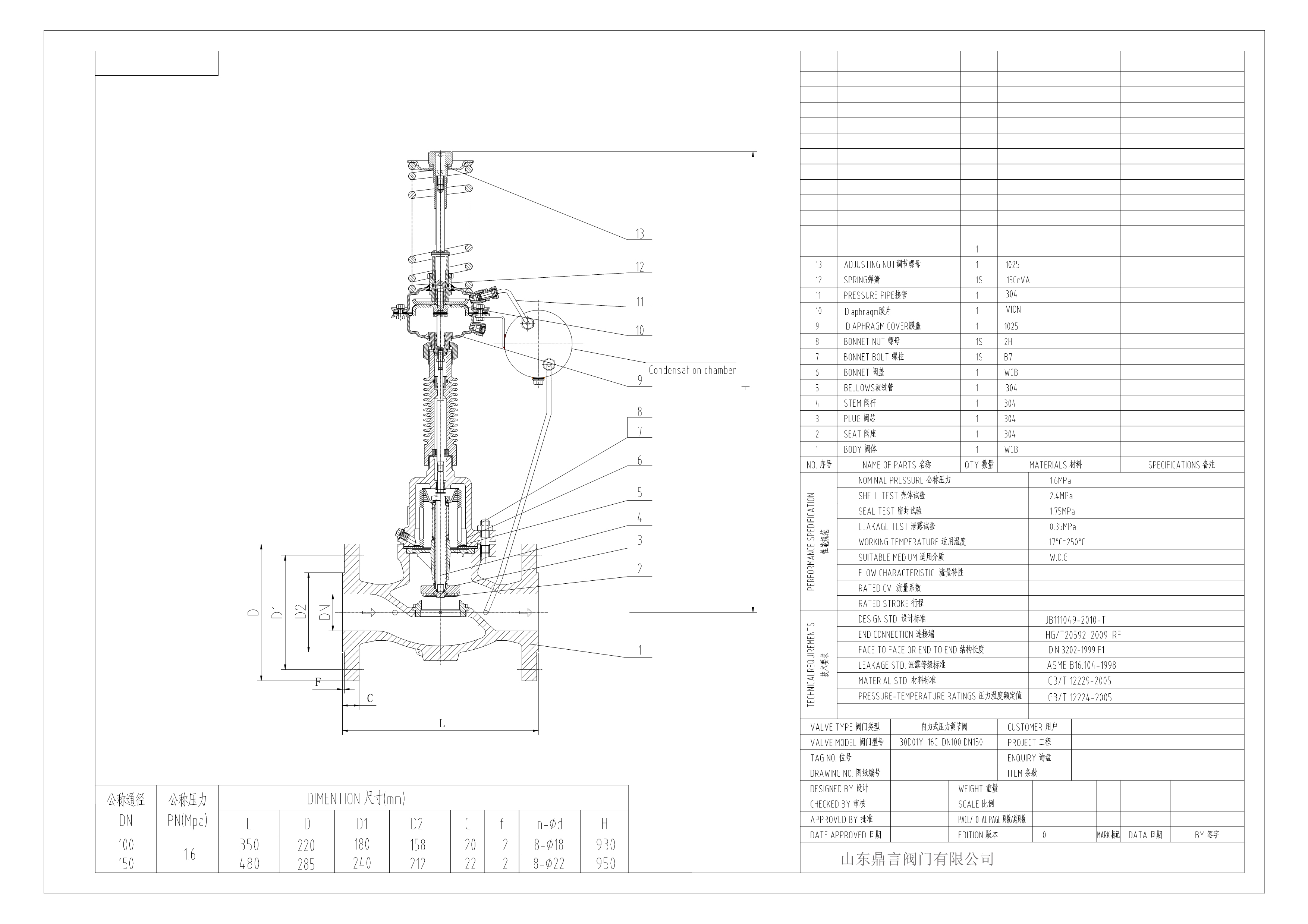
进口不锈钢自力式调节阀结构图:


总结来说,进口不锈钢自力式调节阀以其独特的工作原理和优点被广泛应用于各种工业和民用场合中,为生产过程自动化和精细化控制提供了便利。

全国服务热线



